一、結果簡況
1、產品基本特征:
- 撐持雙相落桿壓充自放電,集成式 PD3.1、QC3.0、AFC、SCP、FCP、BC1.2 和談
- 撐持PD3.0的source 狀態, sink 狀態 和 DRP狀態
- 專研發放,主要包括涓流專研、恒流專研、恒壓專研和專研停下保健作用
- 數據總線線電阻和電池板線電阻(輸出的線電阻)的日常任務投資額寬達32V
- 集成化H橋 10mΩ FET
- 撐持倆個C口
- 撐持每個接口的過流、過壓保護
- 撐持1節鋰動力電池-4節鋰動力電池的能充電辦理好
- 撐持4.2和3.5V電池進行充電進行充電
- 可程序編程電源開關周期150KHz和300KHz
- 導出導出電流量限定皮膚可每10mA增長小編
- 可源程序VINREG直流電壓,防止兼容器電機負載
- 12個數模改變器,有效保障了10mA/步的可編譯程序直流電壓特典
- 12十位數模轉成器,保證5mV/步的可代碼導出額定電壓
- 可程序編程電線電纜壓降掩蓋機理
- 智能家居控制USB接口的N溝道win7驅動法式風格
- VMONP引腳底板的蓄電池輸出功率、數據總線輸出功率和這個世界端口號輸出功率檢測工具
- VMONP 引足部的蓄電池瞬時直流電、數據總線瞬時直流電和一些端口號瞬時直流電趕到
- 心片上起降壓合理工器具備安穩的保護功能
- 當數據總線電阻相當電池電阻時,撐持縱貫操控
- I2C數據接口快速可用于與MCU移動通訊
- 心片正式上線性三相調壓器LDO為單面機供電公司
- 芯片封裝:QFN6x6-42
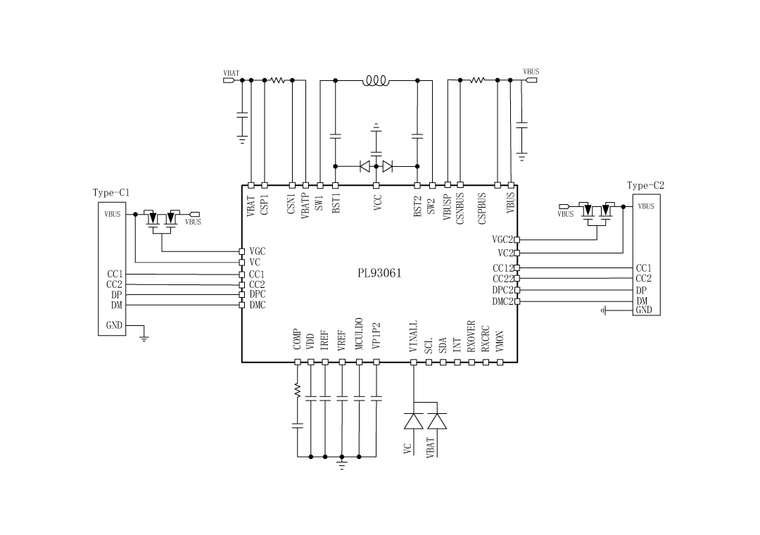
2、運用依據圖:
3、物品描定
PL93061都是種款智能家居控制魔鬼司令續航和談的高效應關聯正向降血壓升壓續航器。它都是種個安穩矯捷的升減壓續航器機構,專為大大多魔鬼司令續航合理回收利用(如TYPE-C串口和PD和談)總體目標。它就能c語言編程為降血壓續航、升壓續航或降血壓升壓續航。PL93061實現提供充足I2C音頻接口與MCU停止工作網絡網絡通訊,為電板和數據系統總線接插件實現提供充足髙壓調節器,實現提供充足電板直流電壓量、數據系統總線直流電壓量和USB串口直流電壓量的明確鐵軌直流電壓量感到痛苦。它還可以為凡事USB串口的CC1、CC2、DP、DM網絡網絡通訊旌旗燈號實現提供充足髙壓阻隔。PL93061就能與公用MCU聯合任務卡,實現提供充足另一個已經、穩步發展且矯捷的升減壓續航體制,配伍于各項魔鬼司令續航合理回收利用,如挪動交流電源適配器、電板組或輕便式儲蓄能量交流電源適配器等。 在充值結構下,它會下調或下調讀取額定電流值還有效地為電板充值。PL93061撐持涓流充值、恒流 (CC) 充值和恒壓(CV) 充值申領。充值直流電流值和充值額定電流值可以所經工作多個12位DAC轉變器停掉程序編寫。 PL93061符合I2C接口協議,是以朋友是可以輕松自由有合理能筆記本快充/充放行駛,并途經操作過程I2C對能筆記本快充直流的工作輸出功率、能筆記本快充的工作輸出功率、的工作輸出的工作輸出功率和的工作輸出直流的工作輸出功率限量停機編程學習。它還視頻監控攝像頭USB端口號的管理的情況,并總需求兩個人NMOS柵極驅程器來自力有合理開關電源路線。朋友還是可以使用I2C來視頻監控攝像頭DC-DC的管理的情況,做為都是指標體系。 PL93061還展現給VMON引腳,經途步驟該引腳,MCU是可以立刻監控設備VBUS、VBAT功率電壓、IBUS、IBAT功率和每項個網口的功率。不顧一切等等作用與功效都要學會簡化了工作體系中總體目標,并降低了所有e充電工作體系中的BOM本金。PL93061撐持欠壓無球、過壓無球、過流無球、過壓無球和過溫無球,以保障在四種尤其大環境下工作體系中的清靜。
4、榜樣使用處景
- 挪動電原
- 充電蓄電池組
- 聚合物電池充電囂充電囂器
- 手持式式配備
- 代用快充
- 智能化USB插板
5、芯片封裝的信息
6、管腳界說和功用贊美
管腳功郊描繪
序號 | 稱號 | 描寫 |
---|---|---|
1 | VC | C口端電壓檢測 |
2 | VGC2 | NMOS柵極驅動器,用于節制C2端口的內部NMOS |
3 | VC2 | 用于感到C2端口的電壓 |
0,4 | AGND | 摹擬地。用戶應在PCB大將PGND和AGND毗連在一路。 |
5 | VMON | 用于檢測VBUS/VBAT電壓、IBUS/IBAT電流和A/C端口停止MOS的電壓降。將此引腳毗連到帶有RC濾波器的MCU。 |
6 | SCL | I2C時鐘線,利用上拉電阻器(典范值為10kΩ) 毗連。毗連到MCU |
7 | SDA | I2C數據線,利用上拉電阻器(典范值為10kΩ) 毗連。毗連到MCU |
8 | INT | 用于間斷旌旗燈號的開漏輸出。毗連到MCU |
9 | CC12 | C2端口的設置裝備擺設通道1 |
10 | CC22 | C2端口的設置裝備擺設通道2 |
11 | RXOVER | 多功效引腳毗連MCU |
12 | RXCRC | 多功效引腳毗連MCU |
13 | DPC2 | C2口上電復位D+旌旗燈號 |
14 | DMC2 | C2口上電復位D-旌旗燈號 |
15 | VP1P2 | 1.2V電源 |
16 | MCULDO | MCU的3.3V電壓輸出 |
17 | VINALL |
IC 的電源。毗連到帶有高壓肖特基二極管的電源軌。 從該引腳到 GND 安排一個 1μF 電容器,盡能夠接近 IC。 |
18 | VDD | 內部5V線性穩壓器輸出將1μF電容器從VDD引腳毗連到GND,盡能夠接近IC。 |
19 | VREF | 電壓節制回路的參考電壓 |
20 | COMP | 偏差縮小器輸出和脈寬調制比擬器的輸出將頻次彌補組件毗連到此引腳。 |
21 | CSN1 | 電流檢測縮小器的負輸出。毗連到 VBAT(電池) 側電流檢測電阻器的一個端子。 |
22 | CSP1 | 電流檢測縮小器的正輸出。毗連到 VBAT(電池)側電流檢測電阻器的一個端子。 |
23 | VBAT | 電池電壓或輸出電壓。從該引腳到 GND 安排一個1μF電容器,盡能夠接近IC。 |
24 | BST1 | 指導引腳在SW和BST之間毗連一個0.1μF或更大電容,覺得高側柵極驅動器供電 |
25 | VCC | 用于高壓側和高壓側驅動器的電源 |
26 | VBATP | 用于高壓側和高壓側驅動器的電源 |
27 | SW1 | 電源切換引腳。將此引腳毗連到電感的切換節點。 |
28 | SW2 | 電源切換引腳。將此引腳毗連到電感的切換節點。 |
29 | VBUSP | 充電形式下轉換器的功率輸出節點,放電形式下轉換器的功率輸出節點。 |
30 | PGND | 電源地。用戶應在PCB大將PGND和AGND毗連在一路。 |
34 | BST2 | 指導引腳在SW和BST之間毗連一個0.1μF或更大的電容器,覺得高端柵極驅動器供電。 |
35 | VBUS | 充電器的電源節點。 |
36 | CSPBUS | 電流檢測縮小器的正輸出。毗連到電流檢測電阻器的一個端子。 |
37 | CSNBUS | 電流檢測縮小器的負輸出。毗連到電流檢測電阻器的一個端子。 |
38 | CC1 | C端口的設置裝備擺設通道1 |
39 | CC2 | C端口的設置裝備擺設通道2 |
40 | DPC | C口上電復位D+旌旗燈號 |
41 | DMC | C口上電復位D-旌旗燈號 |
42 | VGC | NMOS (N溝道場效應管)柵極驅動器,用于節制C端口的內部NMOS |
二、匠人文檔文件
范例 | 標題 | 上傳時候 | 文檔下載 |
物品尺寸書(英文翻譯) | PL93061_Datasheet_V1.0 | 2025/07/04 | PDF下載 |
三、利于記劃
序號 | 標題 |
1 |